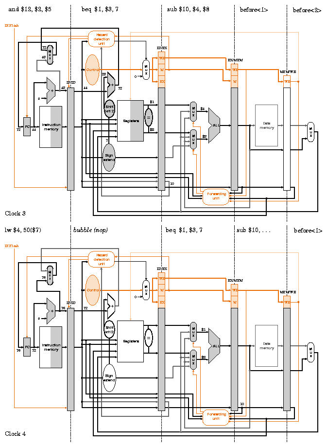
Figure 6.52: The ID stage of clock cycle 3 determines that a branch must be taken, so it selects 72 as the next PC address and zeros the instruction fetched for the next clock cycle.

Chapter 6: Enhancing Performance with Pipelining - 62 of 88